您好,欢迎访问无锡市众鸿电机有限公司官网!
13815103768
13961891128
MSVF系列铝壳三相异步变频电动机-电机系列-AST电机_MS电机_推杆电机_无锡市众鸿电机有限公司

产品中心

联系我们

无锡市众鸿电机有限公司

地址:无锡市惠山经济开发区阳山天顺路12号

咨询热线13961891128

MSVF系列铝壳三相异步变频电动机

发布时间:2023-01-25 14:10:10人气:2867

简介
MSVF系列铝壳三相异步变频电动机,是采用优质材料进行最新式整体设计,采用优质轴流风机。具有性能好、噪音低、变频范围广、振动小、运行可靠、外形新颖、体积小、重量轻等优点。

标准产品使用条件
环境温度:-15C<0<40c海拔:不超过1000m
额定电压:380V、400V、415V(可选100-800V之间任何电压值)
绝缘等级:F级、H级
冷却方式:IC0141
额定频率:50Hz以下恒扭矩,50Hz以上恒功率,MSVF电
机变频范围:5-70Hz
防护等级:IP55
工作方式:S1
接法:3kw及以下Y接法,4kw及以上为△接法。
轴伸:闭口槽
可附带PTC、PTO、PT100等热保护元件或加热带,铝売为活动底角.可以方便进行顶部出线、左右出线和B3、B5、B14、B34、B35的改变
如果超过以上标准产品的使用范围,需要特殊订货。

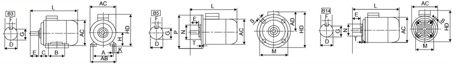
外形及安装尺寸

MSVF系列铝壳三相异步变频电动机

MSVF系列铝壳三相异步变频电动机

MSVF系列铝壳三相异步变频电动机

 

推荐资讯

13815103768