您好,欢迎访问无锡市众鸿电机有限公司官网!
13815103768
13961891128
MS系列铝壳三相异步电动机-电机系列-AST电机_MS电机_推杆电机_无锡市众鸿电机有限公司

产品中心

联系我们

无锡市众鸿电机有限公司

地址:无锡市惠山经济开发区阳山天顺路12号

咨询热线13961891128

MS系列铝壳三相异步电动机

发布时间:2023-01-25 10:46:52人气:3108

简介
MS系列铝売三相异步电动机,是采用优质材料进行最新式整体设计,符合IEC34-1标准的要求,效率可达到欧洲EFF2、并可按要求达到EFF1标准。具有性能好、噪音低、振、动小、运行可靠、外形新颖、体积小、重量轻等优点。

标准产品使用条件
环境温度:-15℃<0<40℃海拔:不超过1000m
额定电压:380V、400V、415V(可选100-800V之间任何电压值)
绝缘等级:「级、H级 冷却方式:ICO141
额定频率:50Hz或60z 防护等级:IP55
工作方式:S1
接法:3kw及以下Y接法,4Kw及以上为△接法。
轴伸:闭口槽
可附带PTC、PTO、PT100等热保护元件或加热带,铝売为活动底角,可以方便进行顶部出线、左右出线和B3、B5、B14、B34、B35的改变。
如果超过以上标准产品的使用范围,需要特殊订货。

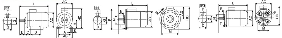
外形及安装尺寸

MS系列铝壳三相异步电动机

MS系列铝壳三相异步电动机

MS系列铝壳三相异步电动机

MS系列铝壳三相异步电动机

 

推荐资讯

13815103768